+44 (0) 1527 516060

Locks

Compartment Locks (19mm) – ‘De-Luxe’ Specification

These are simple, inexpensive locks used on all types of steel and metal enclosures, cabinets and panels. The diecast housing fits a ‘double-D’ piercing and is retained by a large hexagonal nut.

This is the original ‘Wilmot Breeden’ specification with several special features as noted. It is particularly suited for applications where vibration may be a problem.
Ordering Code
1/27890 ’Deluxe‘ lock, 90°, mixed keys
1/27893 ’Deluxe‘ lock, 90°, FS 880
1/27900 ’Deluxe‘ lock, 180°, mixed keys
1/27902 ’Deluxe‘ lock, 180°, FS 880
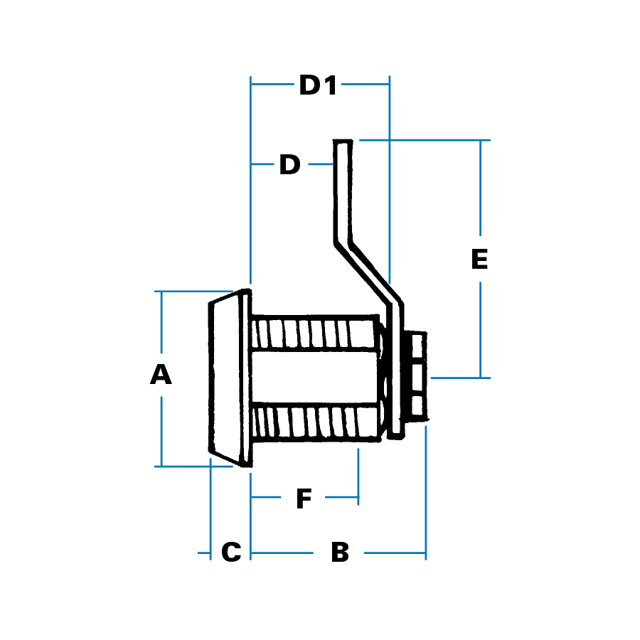
Specification
A Head diameter 26 mm
B Total depth 28 mm
C Head projection 6 mm
D Depth to cranked latch 11 mm
D1 Body depth 19 mm
E Height of bar 37 mm
F Thread depth 15 mm
G Diameter, locating plate 34 mm
H Piercing, across flats 17.5 mm
J Piercing, diameter 20 mm

Latch bar reversible, can be fitted at 45° intervals.

Locating plate enables lock to be fitted into a round hole, especially with wooden panels. Latch bar must be removed for mounting.

9/00858 Finger-pull

Black, moulded design which improves access to cabinet door. Suits all models

9/00066 Finger-pull

Chromium-plated, steel finger-pull for ‘utility’ applications

9/00929 Moulded weathershield

Black PVC cover for weather-protection. Suits all round-face locks. (Also see A6)

5/01595 Moulded spacer

Useful where inside space is limited, raises lock 5mm above panel surface. Black nylon.

Get in touch today!