9/03419 - Oval paddle with slam-bolt
Rear view, illustrating clamping brackets and securing bolts (gasket not shown).
“FT” double-sided keys as standard
Ordering Code
| 9/03419 | Oval paddle, slam-bolt, locking |
| 9/03419/01 | As above, standard keys FT111 |
Specification
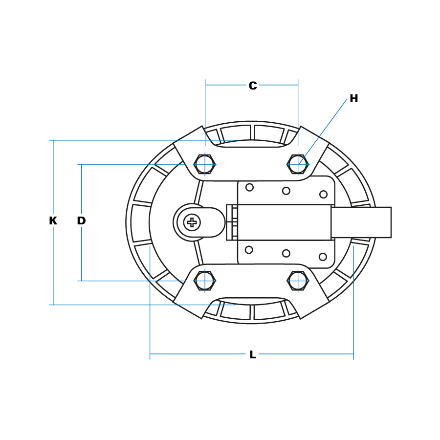
| A |
Case length
|
150 mm |
| B | Case width | 120 mm |
| C | Fixing centres | 56 mm |
| D | Fixing centres | 70 mm |
| E | Bolt width | 19 mm |
| F | Bolt penetration | 21 mm |
| G | Bolt projection (max) | 26 mm |
| H | Hole sizes | M6 x 10 mm |
| J | Maximum depth | 40 mm |
| K | Recess length | 120 mm |
| L | Recess width | 100 mm |
- Slam-action against door edge, released by lifting flap.
- Locking with key blocks movement of flap, but bolt is free to operate and will slam shut. It can still be opened from inside (when interior-release knob is fitted).
- Unit fits through aperture, is clamped against panel by two shaped brackets, and secured by bolts into four threaded bosses. Gasket provided.
- Double-sided ‘FT’ keys with shuttered keyway, or optionally ‘FS’ keys.
- Black, self-coloured, with lightly-textured finish.
- Case & flap in glass-filled nylon, bolt case & slide in stainless steel, mild steel slam bolt is zinc plated for corrosion resistance.
-
- Alternative slam bolts.
- Inside-release knob
- Special key numbers and sets.