+44 (0) 1527 516060

Latching Systems

‘Deep-Dish’ Paddles, Hook-Latch Models

With this design a spring-loaded steel ‘hook’ projects vertically from the back of the paddle case, which engages with a rod or loop striker. This gives a smooth action and doors close easily without ‘bounce back’. These models are widely used on construction plant for toolboxes and engine covers.
Ordering Code
Stainless models with pierced rim
9/02022 Deep-dish paddle, locking
9/02022/01 As above, FT111
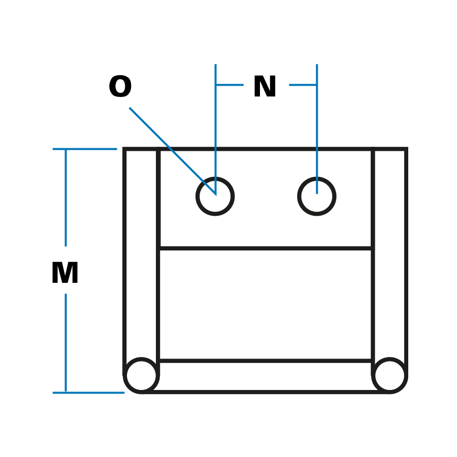
Specification
A Case length 170 mm
B Case width 110 mm
C Hole centres 100 mm
D Hole centres 99 mm
E Hook engagement 13 mm
F Hook penetration 38.5 mm
G Hook width (not shown) 30 mm
H Hole sizes (dia) 7 mm
J Maximum depth 67 mm
K Recess length 142 mm
L Recess width 82 mm
M Total projection 48 mm
N Hole centres 40 mm
O Hole sizes (dia) 7 mm
P Total width 55 mm
R Total depth 39 mm

Blind-mounting models have four studs (M6x10mm) welded on inside rim.

Striker made in 6mm diameter stainless rod, welded to stainless backplate. Alternatively it can be supplied without bend (M=80mm) as 9/00406/02.

Get in touch today!