Right hand centre (3/12507), shown with attachment points fully extended.
2-way centre (3/12508) is identical, but without centre bolt.
Ordering Code
| 3/12506 | 3-way slam centre, LH |
| 3/12507 | 3-way slam centre, RH |
| 3/12508 | 2-way slam centre, RH |
| 3/12509 | 2-way slam centre, LH |
| 3/12497 | Linkage bar (915mm) |
Standard linkage bar 3/12497, used on 3-way slam system
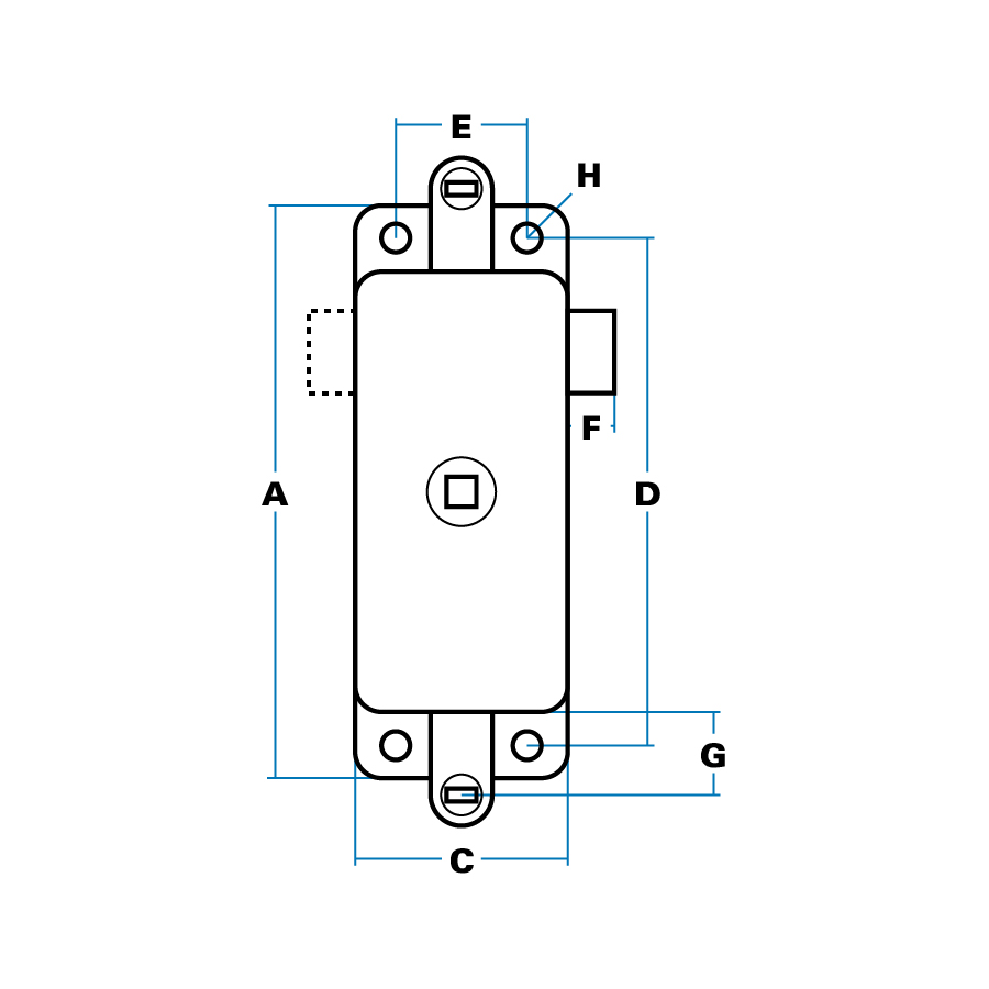
Specification
| A | Length | 127 mm |
| B | Height | 19 mm |
| C | Width | 45 mm |
| D | Hole Centres | 114 mm |
| E | Hole Centres | 28 mm |
| F | Bolt projection | 11 mm |
| G | Length (extended) (withdrawn) |
21 mm 14 mm |
| H | Hole Sizes (diameter) c/s 8 mm | Ø 5.5 mm |
Follow bush accepts 8 mm square shaft from both sides. Rotation 40° to fully withdraw centre bolt and links, direction of rotation as shown in diagrams. Materials: Case and follow bush, zinc diecastings. All other components are mild steel.
- System can be slammed-shut even when an exterior handle is in ‘locked’ position. Attached slam bolts (adjustable) will return links to extended position.
- Rotation of follow-bush (as shown) withdraws slam bolt fully into case, also withdraws links by 7mm at each end, which operate (attached) slam latches. Unit is ‘handed’ by position of centre bolt and by direction of rotation of follow-bush (and operating handle).
- Zinc-plated as standard. Optionally, case can be polished and chromium plated.
- Centre-bolt omitted for 3/12508/9. Bolt can be reversed or extended to special request but bolt will withdraw to 11mm only.