+44 (0) 1527 516060

Catches & LatchesSlam Latches

Side-Action Slam Latches

Standard end latches with side-cut machined steel bolts at 45°angle, making them suitable for roller shutters or drop-down hatches. Adjustable bolt-pull allows projection to be varied, with ‘quick-fit’ attachment point for use with 2-way mechanisms.
Ordering Code
9/01455 Side-action latch LH
9/01456 Side-action latch RH
3/12497 Slotted bar, 915mm
Specification
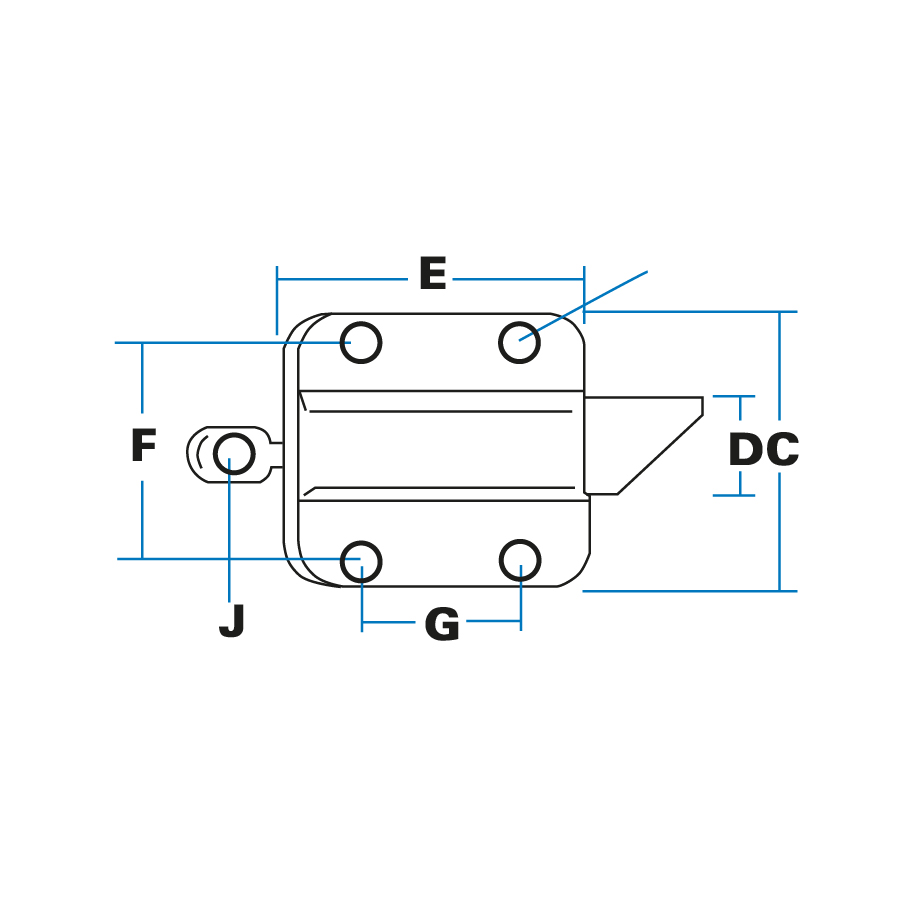
A Bolt thickness 13 mm
B Bolt pull 13 mm
C Width 57 mm
D Bolt width 19 mm
E Body length 62 mm
F Hole centres 44,5 mm
G Hole centres 33 mm
H Hole Diameter Ø 5.5 mm
J Hole Diameter Ø 5.0 mm

Bolt projection variable, 17-25 mm.
Minimum load 5 kg for full bolt travel.
Mild steel model made CR4.
Stainless models in grade 304 with stainlessbolt-pull, bolt and spring.

Get in touch today!