+44 (0) 1527 516060

Handles

Semi-Flush Pull Handle

This is an attractive, self-contained ‘automotive’-style handle and recess ‘dish’ which is ideal for specialist vehicle applications. The handle lifts to operate an actuating lever, normally connected by wire-link to a remote latch, and the unit is easily fitted into a simple panel cut-out.
Ordering Code
9/00593 Semi-flush handle, ‘FT’ locking
9/00593/01 As above, ‘FT 111’ keys
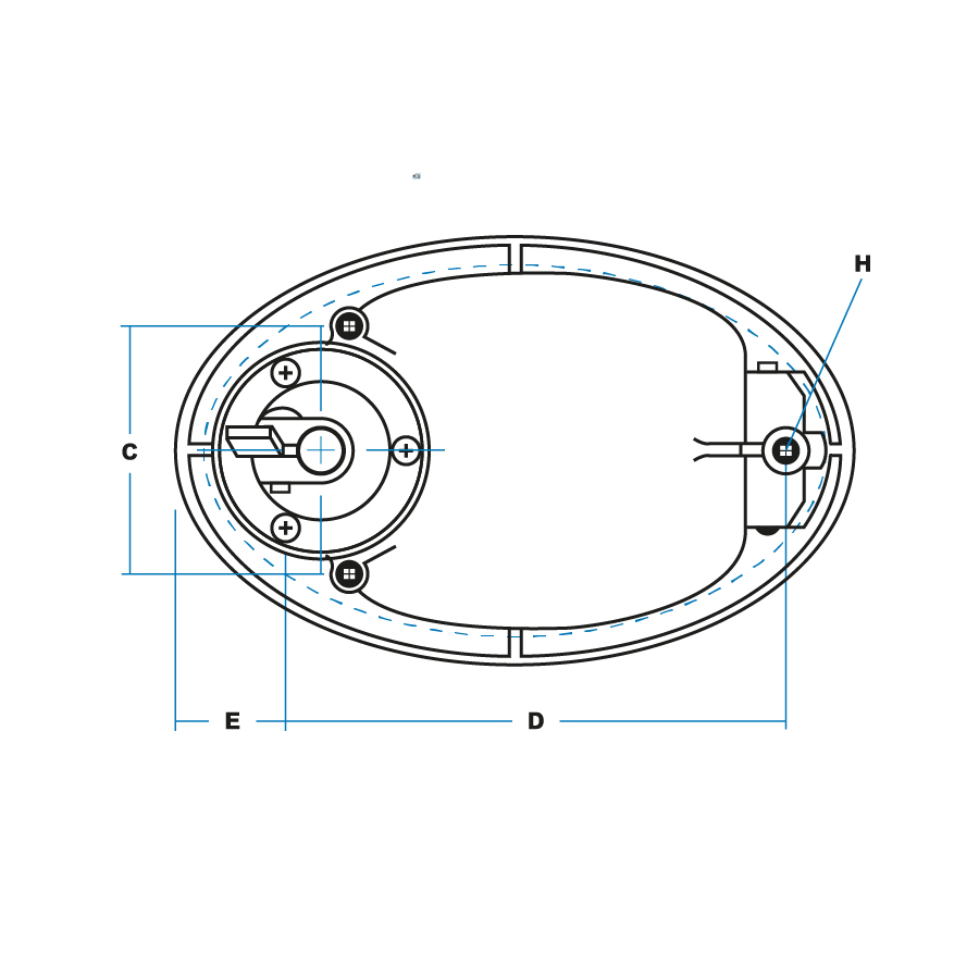
Specification
A Case length 190 mm
B Case width 120 mm
C Fixing centres 70 mm
D Fixing centres 122 mm
E Location 48 mm
F Max. height (closed) 20 mm
G Max depth (body) 35 mm
H Hole sizes M5 x 10 mm
J Depth to actuator 63 mm
K Travel of actuator 15 mm

Note: Actuator arm can be rotated through 360º
Panel cut-out; ellipse 174 x 104 mm Request drawing of panel-piercing if required.

Get in touch today!